Err

MATERIEL INDUSTRIEL OCCASION      |  Tél. +33 (0)3 20 25 56 23
Matériel inox de seconde main pour les professionnels de l'industrie
Rechercher Votre Panier   << Retour aux matériels

Installation de mélange, dosage et pesage pour produits pâteux sur plateforme

(Code: 500MM400)
Matériel disponible immédiatement
(1 Article(s) Quantité en stock)
✓    Ajouter à ma sélection | DEVIS
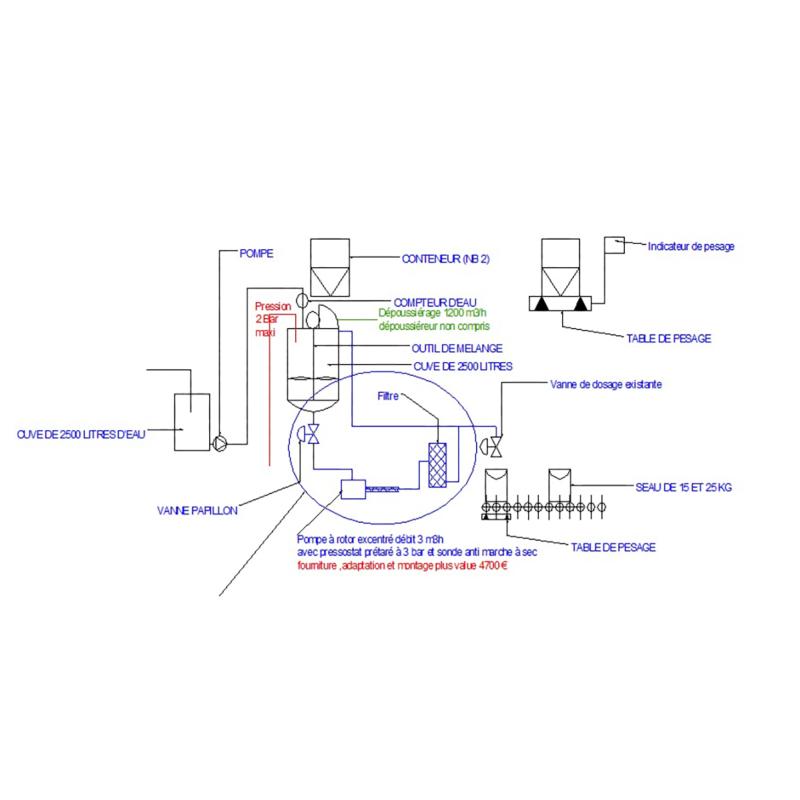
> Installation de mélange pour produits pâteux, visqueux ou autres :
Mélangeur
indicateur de pesage seaux
filtre
pompe
convoyeur etc.

- Détails de l’installation sur plateforme :
Mélangeur RAYNERI Multimix
Niveau sonore< 70 Dba
Motorisation centrale P= 18.5KW
Vitesse 1500tr/mn
Réducteur : vitesse de sortie 145 tr/mn
Vitesse variable de 60 à 145 tr/mn
Agitation 2 turbines de 3 pâles profilées Ø 500 et 800mm
Motorisation périphérique Puissance 7.5kw
Réducteur : vitesse de sortie variable de 7 à 20 tr/mn
Pâle ancre + 17 racleurs en CELORON Ø 1400 mm
Ensemble en inox 316l
Pâles avec 2 sens de rotation,
Cuve simple enveloppe en inox 304l cylindrique à fond conique Ø1400 mm hauteur 1570mm

Plate-forme d’accès
Acier peint
Escalier d’accès
Hauteur 2615mm

1 Armoire de commande
1 Cuve d’eau capacité 2 000 Litres

Dosage, pesage et transfert seaux
Vanne de dosage à tournant sphérique à commande électro-pneumatique à 2 débits
1 Plate-forme de pesage
1 Ensemble de convoyeurs à rouleaux
1 Système pneumatique de fermeture de seau (dépose manuel du couvercle sur le seau)

Instrumentation
1 Ensemble de vannes et débit mètre
1 Pompe à eau
1 Plate-forme de pesage ( pesage conteneur)

Conteneurs
3 Conteneurs de 900 litres à sortie déportée en acier peint

Ffiltre à nettoyage automatique
Filtre à nettoyage automatique installé entre la sortie du mélangeur et la pompe
Vanne doseuse du fond du mélangeur à la sortie du filtre: Vanne papillon DN 80

Pompe de transfert et de dosage
1 Groupe motopompe à rotor excentré prévue pour un transfert de mélange (Utilisation précédente: 60% d’eau et de 40% de poudres produit)
Pressostat et sonde anti-marche à sec
By passage avec vanne de réglage

Doc. tech. sur demande














MATERIEL INDUSTRIEL D'OCCASION & MACHINE INDUSTRIELLE D'OCCASION | EQUIPEMENT INDUSTRIEL D'OCCASION POUR LES PROFESSIONNELS DE TOUTES INDUSTRIES | WWW.MATXPRO.FR